电动汽车电机性能实验台实验原理及说明
1.汽车动力传动系统,工作原理示意图如图1所示。
1-直流永磁电机;2-交流异步电机;3-开关磁阻电机;4-电池组;5-电池组;6-直流永磁电机控制器;7-交流异步电机控制器;8-开关磁阻电机控制器;9-原理面板;10-电压电流表、转速表、扭矩表、功率表;11-电源总开关;
5.1路面行驶工况
(1)闭合电源总开关如图5所示,打开点火开关到ON档位置;
(3)如果需要制动,右脚踩制动踏板,完成制动;
(4)如果需要加速,右脚均匀用力,逐渐踩下电子加速踏板,车辆开始加速;如果保持匀速行驶,电子加速踏板保持在某一开度即可;
(5)本设备无离合踏板,行驶过程中,踏下刹车后换档即可;但不能在前进档行驶中没停止就换倒档!
(6)如果需要倒车,先将换挡操纵机构手柄打到空档,待车辆停稳后再将换挡操纵机构手柄打到“倒”档,完成倒车;
(7)使用完毕后,关闭点火开关,断开电源开关。
5.2运行检测工况
(1)换挡操纵机构手柄置于“前进/或者倒车”档,右脚轻踩电子加速踏板,车辆前轮开始运转;
(2)如果需要制动,右脚踩制动踏板,完成制动;
(3)如果需要加速,右脚均匀用力,逐渐踩下电子加速踏板,车辆前轮开始加速;如果保持匀速行驶,电子加速踏板保持在某一开度即可;
(4)本设备无离合踏板,行驶过程中,踏下刹车后换档即可;但不能在前进档行驶中没停止就换倒档!
(5)如果需要倒车,先将换挡操纵机构手柄打到空档,待车辆停稳后再将换挡操纵机构手柄打到“倒”档,完成倒车/前轮运转;
(6)如果需要检测动态等数据,直接从面板上的检测端子进行检测,如图6所示;
三、新能源汽车实验仪器
实验仪器,包括仪器设备条件、物质条件、相关文献资料等。
1.观摩新能源汽车驱动系统结构与性能实验台,识别各部件。
2.观摩新能源汽车驱动系统结构与性能实验台,识别驱动电机与控制器。
3.识别电机控制器与各部件各引线功能。
(二)纯电动汽车动力系统演示体验
2.1行驶工况
(1)闭合电源总开关,打开点火开关到ON档位置;
(2)换挡操纵机构手柄置于“前进/或者倒车”档,右脚轻踩电子加速踏板,车辆开始行驶;
(3)如果需要制动,右脚踩制动踏板,完成制动;
(4)如果需要加速,右脚均匀用力,逐渐踩下电子加速踏板,车辆开始加速;如果保持匀速行驶,电子加速踏板保持在某一开度即可;
(5)本设备无离合踏板,行驶过程中,踏下刹车后换档即可;但不能在前进档行驶中没停止就换倒档!
(6)如果需要倒车,先将换挡操纵机构手柄打到空档,待车辆停稳后再将换挡操纵机构手柄打到“倒”档,完成倒车;
(7)使用完毕后,关闭点火开关,断开电源开关。
2.2检测工况
(1)换挡操纵机构手柄置于“前进/或者倒车”档,右脚轻踩电子加速踏板,车辆前轮开始运转;
(2)如果需要制动,右脚踩制动踏板,完成制动;
(3)如果需要加速,右脚均匀用力,逐渐踩下电子加速踏板,车辆前轮开始加速;如果保持匀速行驶,电子加速踏板保持在某一开度即可;
(4)本设备无离合踏板,行驶过程中,踏下刹车后换档即可;但不能在前进档行驶中没停止就换倒档!
(5)如果需要倒车,先将换挡操纵机构手柄打到空档,待车辆停稳后再将换挡操纵机构手柄打到“倒”档,完成倒车/前轮运转;
(6)如果需要检测动态等数据,直接从面板上的检测端子进行检测。
(7)使用完毕后,关闭点火开关,断开电源开关。
五、 实验报告
1.电机控制器安装在什么地方?起了什么作用呢?
2.电子油门起了什么作用?
3.刹车开关起了什么作用?
4.简述纯电动汽车动力系统包括那些器件?
六、 预习与思考题
1.纯电动汽车组成结构与工作原理
七、 参考资料
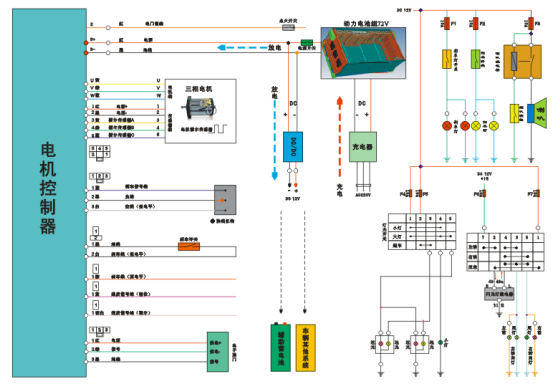
控制器线路
(型号个别有区别,实际接线说明见 控制背面的说明)
电动车控制器说明及电动车控制器接线图
无刷电动车控制器接线说明
1.电源输入
粗红色线为电源正端 黑色线为电源负端 细橙色线为电门锁
2.电机相位(u、v、w输出)
粗黄色线为U 粗绿色线为V 粗蓝色线为W
3.转把信号输入
细红色线为+5V电源 细绿色为手柄信号输入 细黑色线为接地线
4.电机霍耳(A、B、C输入)
细红色线为+5V电源 细黑色线为接地线
细黄色线为 A 细绿色线为 B 细蓝色线为 C
5.刹车(柔性EABS+机械刹)
细黄色线为柔性EABS; 细蓝色线为机械刹(高电平刹车:+12V)
细黑色线为接地线(低电平刹车)
6.传感器
细红色线为+5V电源 细黑色线为接地线 细绿色线为传感器信号输入
7.仪表(转速):细紫色线
8.巡航:细棕色线
9.限速:细灰色线
10.自动识别开关线:细黄色线
1.汽车动力传动系统,工作原理示意图如图1所示。

图1 汽车动力传动系统的结构组成
2. 纯电动汽车动力系统,工作原理示意图如图2所示。

(a)典型的前轮驱动

(b)典型的后轮驱动
图2 纯电动汽车动力系统的结构组成
3. 新能源汽车电机布置,如图3所示。

图3 新能源汽车电机的车上位置
4. 实训台电机控制器等布置,如图4所示。

图4 电机控制器等布置
5. 通电演示有关操作说明5.1路面行驶工况
(1)闭合电源总开关如图5所示,打开点火开关到ON档位置;

图5 电源总开关
(2)换挡操纵机构手柄置于“前进/或者倒车”档,右脚轻踩电子加速踏板,车辆开始行驶;(3)如果需要制动,右脚踩制动踏板,完成制动;
(4)如果需要加速,右脚均匀用力,逐渐踩下电子加速踏板,车辆开始加速;如果保持匀速行驶,电子加速踏板保持在某一开度即可;
(5)本设备无离合踏板,行驶过程中,踏下刹车后换档即可;但不能在前进档行驶中没停止就换倒档!
(6)如果需要倒车,先将换挡操纵机构手柄打到空档,待车辆停稳后再将换挡操纵机构手柄打到“倒”档,完成倒车;
(7)使用完毕后,关闭点火开关,断开电源开关。
5.2运行检测工况
(1)换挡操纵机构手柄置于“前进/或者倒车”档,右脚轻踩电子加速踏板,车辆前轮开始运转;
(2)如果需要制动,右脚踩制动踏板,完成制动;
(3)如果需要加速,右脚均匀用力,逐渐踩下电子加速踏板,车辆前轮开始加速;如果保持匀速行驶,电子加速踏板保持在某一开度即可;
(4)本设备无离合踏板,行驶过程中,踏下刹车后换档即可;但不能在前进档行驶中没停止就换倒档!
(5)如果需要倒车,先将换挡操纵机构手柄打到空档,待车辆停稳后再将换挡操纵机构手柄打到“倒”档,完成倒车/前轮运转;
(6)如果需要检测动态等数据,直接从面板上的检测端子进行检测,如图6所示;

图6 检测面板
(9)使用完毕后,关闭点火开关,断开电源开关。三、新能源汽车实验仪器
实验仪器,包括仪器设备条件、物质条件、相关文献资料等。
| 序号 | 名称 | 数量 | 主要用途 |
| 1 | 新能源汽车驱动系统结构与性能实验台 | ||
| 2 | 汽车电工绝缘工具组 | ||
| 3 | 高压万用表 | ||
| 4 | 绝缘手套 | ||
四、 实验内容和步骤
(一)纯电动汽车动力系统认识1.观摩新能源汽车驱动系统结构与性能实验台,识别各部件。
2.观摩新能源汽车驱动系统结构与性能实验台,识别驱动电机与控制器。
3.识别电机控制器与各部件各引线功能。
(二)纯电动汽车动力系统演示体验
2.1行驶工况
(1)闭合电源总开关,打开点火开关到ON档位置;
(2)换挡操纵机构手柄置于“前进/或者倒车”档,右脚轻踩电子加速踏板,车辆开始行驶;
(3)如果需要制动,右脚踩制动踏板,完成制动;
(4)如果需要加速,右脚均匀用力,逐渐踩下电子加速踏板,车辆开始加速;如果保持匀速行驶,电子加速踏板保持在某一开度即可;
(5)本设备无离合踏板,行驶过程中,踏下刹车后换档即可;但不能在前进档行驶中没停止就换倒档!
(6)如果需要倒车,先将换挡操纵机构手柄打到空档,待车辆停稳后再将换挡操纵机构手柄打到“倒”档,完成倒车;
(7)使用完毕后,关闭点火开关,断开电源开关。
2.2检测工况
(1)换挡操纵机构手柄置于“前进/或者倒车”档,右脚轻踩电子加速踏板,车辆前轮开始运转;
(2)如果需要制动,右脚踩制动踏板,完成制动;
(3)如果需要加速,右脚均匀用力,逐渐踩下电子加速踏板,车辆前轮开始加速;如果保持匀速行驶,电子加速踏板保持在某一开度即可;
(4)本设备无离合踏板,行驶过程中,踏下刹车后换档即可;但不能在前进档行驶中没停止就换倒档!
(5)如果需要倒车,先将换挡操纵机构手柄打到空档,待车辆停稳后再将换挡操纵机构手柄打到“倒”档,完成倒车/前轮运转;
(6)如果需要检测动态等数据,直接从面板上的检测端子进行检测。
(7)使用完毕后,关闭点火开关,断开电源开关。
五、 实验报告
1.电机控制器安装在什么地方?起了什么作用呢?
2.电子油门起了什么作用?
3.刹车开关起了什么作用?
4.简述纯电动汽车动力系统包括那些器件?
六、 预习与思考题
1.纯电动汽车组成结构与工作原理
七、 参考资料
控制器线路


无刷电动车控制器接线说明
1.电源输入
粗红色线为电源正端 黑色线为电源负端 细橙色线为电门锁
2.电机相位(u、v、w输出)
粗黄色线为U 粗绿色线为V 粗蓝色线为W
3.转把信号输入
细红色线为+5V电源 细绿色为手柄信号输入 细黑色线为接地线
4.电机霍耳(A、B、C输入)
细红色线为+5V电源 细黑色线为接地线
细黄色线为 A 细绿色线为 B 细蓝色线为 C
5.刹车(柔性EABS+机械刹)
细黄色线为柔性EABS; 细蓝色线为机械刹(高电平刹车:+12V)
细黑色线为接地线(低电平刹车)
6.传感器
细红色线为+5V电源 细黑色线为接地线 细绿色线为传感器信号输入
7.仪表(转速):细紫色线
8.巡航:细棕色线
9.限速:细灰色线
10.自动识别开关线:细黄色线
