PLC 的液压滑台控制系统设计
1.1 PLC 的选择及I/O 分配表
PLC 是一台工业控制专业计算机,有定时、计数、逻辑控制、及在线监控等可控制的实现功能,PLC 可靠性高、操作方便,适合恶劣环境工作。除了PLC 应用选择能够满足控制要求同时,根据动力滑台的工作需要、控制要求及实际I/O 点数要求,最后选择PLC 型号为三菱FX2N-32MR。具体I/O 的点数分配情况,见表1。

表1 I/O 地址分配表
1.2 PLC 的外部接线图
PLC 的外部接线图如图1 所示。应用三菱PLC 所带220V 电源做输入信号的电源,输入信号外接较少,选择电磁阀的型号来确定输出信号电源。本文中选择24 V 电磁阀,可直接接入输出回路。如果电磁阀的输出功率较大,需在线圈两端上接上二极管吸收回路,避免电流输出回路的冲击。

图1 PLC 的外部接线图
2 动力滑台液压系统实现
如图2 所示为动力滑台的液压控制系统,该液压系统采用了叶片泵为双定量和活塞为单杆液压缸的液压传动技术。通常实现的工作循环是:快进→工进→快退→原位停止。下面对其自动工作循环作简单如下工作分析:

②动力滑台工进:当动力滑台快进移动,并压下行程开关SQ2 时,行程阀3 关闭。液压泵1 输出的液压油经阀7、调速阀4,进入液压缸的无杆腔,推动活塞缸左移,有杆腔回油经过电液换向阀2、调速阀4 流回无杆腔,滑台转为工进。
③动力滑台快退:动力滑台前进到终点后,液压系统压力渐渐升高,当达到设定压力时,压力继电器14 闭合,发出信号使线圈KM1 断开,线圈KM2 接通,右位的电液换向阀2 接通。液压泵1 输出的液压油经右位的电磁换向阀2 进入液压缸的有杆腔,使得活塞缸向左移动,无杆腔回油经调速阀4、单向阀5、电磁换向阀2 直接流回油箱,滑台快速退回。
④动力滑台原位停止:滑台退回原位时,并压到行程开关SQ1,线圈KM2 电磁铁断电,电液换向阀2 不接通。液压泵1 输出的液压油经溢流阀9 直接流回油箱,实现卸荷。液压缸内无液压油流入,活塞缸静止,原位停止动力滑台。
3 液压动力滑台PLC 的程序设计
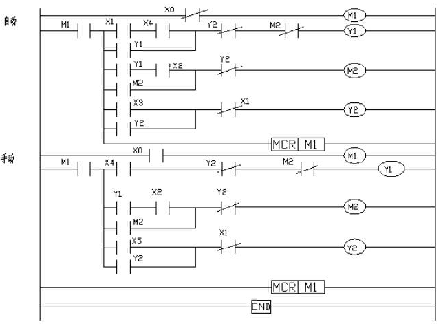
PLC 控制设有手动和自动控制两种工作状态。调试时用手动工作方式,连续工作时用自动工作方式。根据上述分析,可在三菱PLC 编程软件对控制系统进行编程及监控,程序可进行模拟仿真,运行正确后,设置好通讯参数,下载程序到FX2N PLC,液压滑台PLC 控制系统的梯形图如图3 所示。

图3 PLC 控制的梯形图
4 结论
通过实践表明,采用PLC 对液压滑台系统的运行控制,克服了继电器可靠性运行差,响应时间反应慢的缺点,该系统运行安全可靠,控制系统设计简单,改善控制系统复杂的控制要求,能够满足液压动力滑台在机床上的应用需求,提高机床机械加工工作效率。
1.1 PLC 的选择及I/O 分配表
PLC 是一台工业控制专业计算机,有定时、计数、逻辑控制、及在线监控等可控制的实现功能,PLC 可靠性高、操作方便,适合恶劣环境工作。除了PLC 应用选择能够满足控制要求同时,根据动力滑台的工作需要、控制要求及实际I/O 点数要求,最后选择PLC 型号为三菱FX2N-32MR。具体I/O 的点数分配情况,见表1。

表1 I/O 地址分配表
1.2 PLC 的外部接线图
PLC 的外部接线图如图1 所示。应用三菱PLC 所带220V 电源做输入信号的电源,输入信号外接较少,选择电磁阀的型号来确定输出信号电源。本文中选择24 V 电磁阀,可直接接入输出回路。如果电磁阀的输出功率较大,需在线圈两端上接上二极管吸收回路,避免电流输出回路的冲击。

图1 PLC 的外部接线图
2 动力滑台液压系统实现
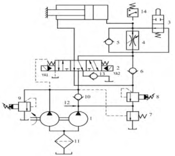
如图2 所示为动力滑台的液压控制系统,该液压系统采用了叶片泵为双定量和活塞为单杆液压缸的液压传动技术。通常实现的工作循环是:快进→工进→快退→原位停止。下面对其自动工作循环作简单如下工作分析:

1-液压泵,2-电液换向阀,3-行程阀,4-调速阀,5-6-10-13-单向阀,7-液控顺序阀,8-背压阀,9-溢流阀,11-过滤器,
图2 液压系统原理图
①动力滑台快进:按下启动按钮QA,线圈KM1 电磁铁接通,左位的电液换向阀2 接通,行程阀3 打开。液压泵1 输出的液压油经电液换向阀2、行程阀3,进入液压缸的无杆腔,活塞杆发生右移。液压缸的有杆腔回油经电磁换向阀2、单向阀6、行程阀3 进入液压缸的无杆腔。当液压缸两腔互通时,形成差动效应,快速左移活塞缸,使得动力滑台快速进给。图2 液压系统原理图
②动力滑台工进:当动力滑台快进移动,并压下行程开关SQ2 时,行程阀3 关闭。液压泵1 输出的液压油经阀7、调速阀4,进入液压缸的无杆腔,推动活塞缸左移,有杆腔回油经过电液换向阀2、调速阀4 流回无杆腔,滑台转为工进。
③动力滑台快退:动力滑台前进到终点后,液压系统压力渐渐升高,当达到设定压力时,压力继电器14 闭合,发出信号使线圈KM1 断开,线圈KM2 接通,右位的电液换向阀2 接通。液压泵1 输出的液压油经右位的电磁换向阀2 进入液压缸的有杆腔,使得活塞缸向左移动,无杆腔回油经调速阀4、单向阀5、电磁换向阀2 直接流回油箱,滑台快速退回。
④动力滑台原位停止:滑台退回原位时,并压到行程开关SQ1,线圈KM2 电磁铁断电,电液换向阀2 不接通。液压泵1 输出的液压油经溢流阀9 直接流回油箱,实现卸荷。液压缸内无液压油流入,活塞缸静止,原位停止动力滑台。
3 液压动力滑台PLC 的程序设计
PLC 控制设有手动和自动控制两种工作状态。调试时用手动工作方式,连续工作时用自动工作方式。根据上述分析,可在三菱PLC 编程软件对控制系统进行编程及监控,程序可进行模拟仿真,运行正确后,设置好通讯参数,下载程序到FX2N PLC,液压滑台PLC 控制系统的梯形图如图3 所示。

图3 PLC 控制的梯形图
4 结论
通过实践表明,采用PLC 对液压滑台系统的运行控制,克服了继电器可靠性运行差,响应时间反应慢的缺点,该系统运行安全可靠,控制系统设计简单,改善控制系统复杂的控制要求,能够满足液压动力滑台在机床上的应用需求,提高机床机械加工工作效率。
