- DB-589 水静压强仪主要用途:观察流体静特性,学习一种测量流体密度的方法、演示、验证有关水静力学的基本方程式。
主要配置:实验功能:
本实验台可观察:
1、量测静水中任一点的压强;
2、测定另一种液体的比重;
3、要求掌握U形管和连通管的测压原理及运用等压面概念分析问题的能力。
设备配置:
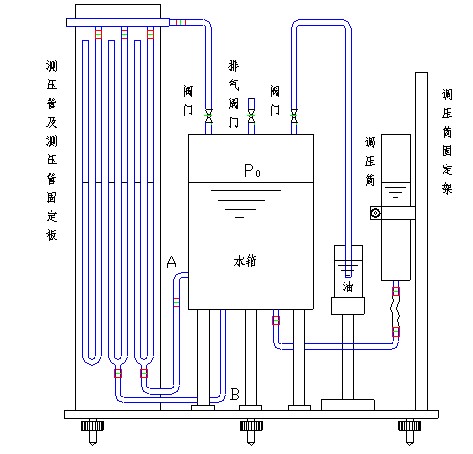
实验本体主容器、加压水箱、测压管、可密闭有机玻璃水箱、压力调节器、排气阀、放水阀、多种测压管组、实验本体支架、量杯(250mL)等。
设计参数:
外形尺寸:600×200×800mm 材质:有机玻璃

DB-589 水静压强仪指导书
水静压强特性实验
一、演示目的
1.加深理解静力学基本方程式及等压面的概念。
2.理解封闭容器内静止液体表面压力及其液体内部某空间点的压力。
3.观察压力传递现象。
二、演示原理
对密封容器的液体表面加压时,设其压力为P0,即P0>Pa。从U形管可以看到有压差产生,U形管与密封容器上部连通的一面,液面下降,而与大气相通的一面,液面上升。由此可知液面下降的表面压力即是密闭容器内液体表面压力P0,即P0= Pa+ρgh,h是U形管液面上升的高度。当密闭容器内压力P0下降时,U形管内的液面呈现相反的现象,即P0<Pa,这时密闭容器内液面压力 P0= Pa-ρgh。H为液面下降高度。

水静压强实验台三、演示步骤
如果对密闭容器的液体表面加压时,其容器内部的压力向各个方向传递,在右侧的测压管中,可以看到由于A,B、两点在容器内的淹没深度h不同,在压力向各点传递时,先到A点后到B点。在测压管中反应出的是A管的液柱先上升而B管的液柱滞后一点也在上升,当停止加压时,A、B两点在同一水平面上。
1.关闭排气阀,用加压器缓慢加压,U形管出现压差 ,在加压的同时,观察右侧A、B管的液柱上升情况。
2.打开排气阀,使液面恢复到同一水平面上,关闭排气阀,打开密闭容器底部的水门,放出一部分水,造成容器内压力下降。
四、讨论
1.为什么P0为表压,真空值?
2.用该设备是否可以测出其他液体的重度?为什么?
友情提示:
1、货品验收:阁下收货时请检查水静压强仪的货品外观,核实水静压强仪的数量及配件,拒收处于受损状态的水静压强仪;
2、质保:顶邦将为阁下提供水静压强仪产品说明书内的质保条件和质保期,在质保范围内提供对水静压强仪的免费维修,超出条件承诺时提供对水静压强仪的有偿维修;
3、退换货:阁下单方面原因导致的水静压强仪选型错误或水静压强仪购买数量错误,造成水静压强仪的退换货要求,将不被接受;
4、货期:水静压强仪的发货期为参考值,如您需要了解水静压强仪的精确货期,请与顶邦的销售人员联系;
5、如阁下对水静压强仪有任何疑问,请致电:021-36334717 ,我们将由专业人士为您提供有关水静压强仪的咨询。
- 上一篇:NOx的氨选择性催化还原实验装置
- 下一篇:自循环明渠水力学多功能实验仪


